The Daily Insight.

Connected.Informed.Engaged.

general

Quick Answer: How Do U Adjust Base On Mower Riding Mower Craftsman

By Emma Payne |

How do you adjust the deck on a Craftsman riding lawn mower?

Why does my Craftsman riding mower leave a strip of grass?

A strip of uncut grass left in the middle of mowing rows could signal that your lawnmower’s blades are unbalanced or that one or both of them was installed the wrong way. Ensure that your mower’s blades are on correctly, that both are secured tightly to the mower deck and that both are balanced.

How do you adjust the height on a Craftsman lawn mower?

For self-propelled Craftsman mowers, the height can be changed by raising or lowering the tire’s level using adjustable levers. These levers are located on the inside of each tire, which is attached to the notches. Shift the lever forward or backward to raise or lower the height of the particular wheel.

What is the lowest setting on a lawn mower?

If you don’t know what kind of grass you have, a good rule of thumb is to cut it at three inches or down to a minimum of 2 ½”, never removing more than one third of the grass blade at a time. Understanding your model of lawn mower and how your lawn mower height settings work is important if you want to use it properly.

Should mower deck wheels touch the ground?

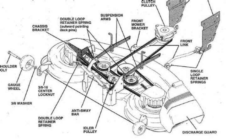
Mower deck gauge wheels should be properly adjusted to prevent scalping grass on uneven terrain. The bottom of the wheels should sit approximately 1/8-1/2 of an inch from the ground, depending on your cutting height.

Why does my ride on mower cut uneven?

Uneven cutting is usually caused by mower deck damage or misadjustment.Uneven Cutting. CAUSE SOLUTION Blades are dull or worn Sharpen or replace the blades Blades are damaged Replace the blades Deck is clogged with grass clippings Clean out the deck Deck shell is damaged Repair or replace the deck.

How do you level a mower deck?

To level the deck from the front to rear, place the deck lift lever in the middle position. Wearing gloves, rotate the blade closest to the discharge chute parallel to the lawn mower. Measure the height of the front blade tip to the ground. Next, measure the height of the rear blade tip to the ground.

How often should mower blades be sharpened?

This keeps your mower in good shape and helps to maintain a healthy lawn. However, if you mow more often, the blades will need more attention. On average, a mower blade should be sharpened after every 20 to 25 hours of use time.

How do you lower a Craftsman riding lawn mower?

Press down on the clutch/brake pedal, and release that pressure to release the parking brake. Press the clutch/brake pedal partially forward to engage the clutch. Push the gearshift lever into a gear, and release the clutch to make the riding mower move forward.

What height should a lawn mower be set at?

The top setting for most mowers gives a cutting height between 3.25 and 4 inches. This is best for your lawn, but at a setting of 4 inches you may sometimes see some “laying-over” of turf blades that some people find undesirable. For this reason, some people prefer to mow at 3 or 3.5 inches.

Can you adjust the drive belt on a Craftsman riding mower?

Blade drive belts on Craftsman lawn mowers are not designed to be be adjusted and there is no mechanism for adjusting them. Instead, the manufacturer recommends replacing a loose belt with a new one.

Do all lawn mowers have height adjustment?

All mowers can have their height adjusted. For push-mowers, you have levers that you can raise or lower, moving the blades to a higher or lower position. You may need to adjust the blades when you have not mowed for a while and the grass is longer than you intended.

When should I raise the height of my lawnmower?

A height of two inches is fine when grasses are rapidly growing, but the height should be raised as growth slows, stress increases, and when the lawn is in shade. Lawns should be mowed according to the rate of grass growth; remember not to remove more than one-third of the grass leaf in any one cutting.

Should a mower deck be level front to back?

Lawn mower deck pitch, or sometimes referred to as, “rake,” is the tilt of the mower deck from front to back. Naturally, this makes the sweet spot about 1/4-inch of pitch, depending on the mower model. In any case, the front of the deck should be pitched lower than the deck rear.

What do anti-scalp wheels do?

Anti-scalp deck wheels are used on many higher-end riding mower models and on most “zero-turn” riding mowers. These wheels help prevent the deck from coming in contact with the ground when passing over a high spot, thus preventing the blade from slicing off or “scalping” large clumps of grass.

How do I get my mower to cut higher?

Pull the height adjustment lever out and toward the back of the mower. Rotate the lever downward to raise the height of all four wheels at once. Release the lever, and push it back inward to lock the height adjustment.

Do mower blades need to be timed?

Premium Member. The blades are not timed and if you try to “time” them, they will move around on their own. the tips miss each other no matter how you orient them, so there is no need to worry about it.

How do you adjust a mower deck?

Turn the adjusting lock nut clockwise to raise the mower and counterclockwise to lower it. Measure from the blade to the ground again on both sides and adjust until the difference between the blade tip heights are within ⅛ -inch. Rotate the blades so that their direction is now front to back.

How do you pitch a mower deck?

For most effective results, a lawn mower deck should have a pitch of 1/8-inch to 1/2-inch between the height of the deck rear to the height of the deck front. Naturally, this makes the sweet spot about 1/4-inch of pitch, depending on the type of mower.